


产品中心
描述:UCB75xxT是一款采用.CMOS 技术的低压差线性稳压器。输出电流为 150mA,允许的输入电压为36V。具有几个固定的输出电压,范围从 2.5V~5.0V。具有低压降和低静态电流的特性,广扩用于各类音频、视频设备和通信等设备的供电。
产品特点:
低功耗、低压降
较低的温度系数
输入电压:36V
典型静态电流:2.5uA
输出电流:150mA
输出电压精度:±2%
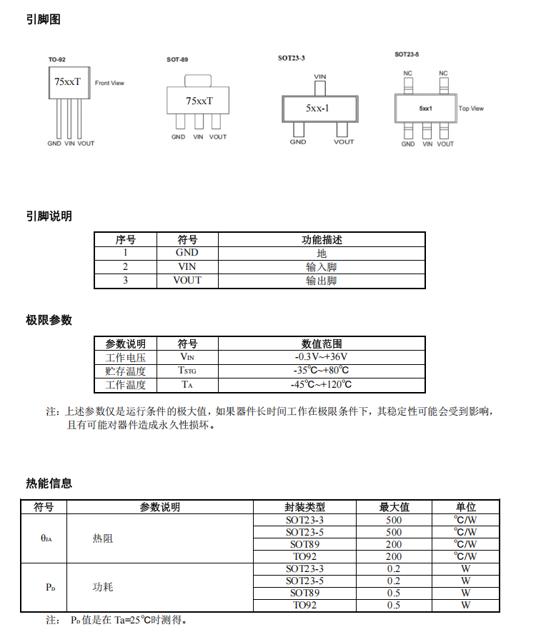
封装类型:SOT23-3,SOT23-5,TO92,SOT89
应用范围:
各类电源设备通信设备
音频、视频设备



描述:UCB75xxT是一款采用.CMOS 技术的低压差线性稳压器。输出电流为 150mA,允许的输入电压为36V。具有几个固定的输出电压,范围从 2.5V~5.0V。具有低压降和低静态电流的特性,广扩用于各类音频、视频设备和通信等设备的供电。
产品特点:
低功耗、低压降
较低的温度系数
输入电压:36V
典型静态电流:2.5uA
输出电流:150mA
输出电压精度:±2%
封装类型:SOT23-3,SOT23-5,TO92,SOT89
应用范围:
各类电源设备通信设备
音频、视频设备



RELATED PRODUCT
相关产品
